为实施创新驱动发展战略、建设创新型国家贡献青春力量,紫台团委积极响应院团委号召,围绕“展现科学魅力,聚焦献力创新”的主题于3月20日-4月10日举办“发现科学之美”图片大赛。
紫台职工和研究生共提交作品25份,其中照片八十余张。经专家组评选,胡一鸣、王争、张岩、任小平、陈向阳、叶洪涛、孙立南、何治宏、蒋雪健、张水乃、王英、蒋云、王科超等13人获特优作品奖。朱留斌、苏杨、杜秋生、柳磊、王增进、谈建云、彭国英、蒙克来、李少林、金璐、陈志维、陈维等12人获优胜作品奖。特优作品将陆续在紫台官方微信公众号中发布。
此次大赛旨在培养青年创新意识,激发科研热情,树立求实态度,引导广大青年积极投身紫台“率先行动”计划,作品充分展现出了紫台特色,发现天文之美,进一步激发了大家的创新热情。
获奖作品精选

作者信息:副研究员-蒋云-显微镜下的天外来客-2016.3
图片描述:这是一块来自小行星带的普通球粒陨石,由于经历了最少的热变质和水蚀变,完整地保存了其小行星母体的特征。这些球状结构的物质,称为球粒,是早期太阳星云中形成的,透过这些约1毫米的球粒以及球粒之间的细小的基质颗粒,我们可以发现原太阳形成之初甚至太阳系外的颗粒,从而解读太阳系形成之谜。
取样仪器名称型号:Hitachi 3400N II 型扫描电子显微镜

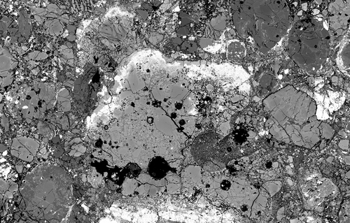
作者信息:中科院紫金山天文台射电研究部-王争-晶体之眼-20160331
图片描述:本作品咋看似星球表面的陨石坑(环形山),但其实它的尺度在微米(10-6米)量级,是一种太赫兹(1012赫兹)波探测器核心区域的显微图像,其放大倍率16000倍。该探测器基于超导晶体材料,在图片中可见大量尺度在纳米(10-9米)量级的多棱小晶粒。图片中环形凹陷部分恰似人眼,能“看见”非常微弱的太赫兹波信号,从而极大的助力天文学家开展太赫兹波段的天文观测研究。
实验方法:在石英衬底上使用磁控溅射技术生长多层超导薄膜材料,再经过曝光、显影、刻蚀、薄膜再生长等一系列工艺步骤可得到该样品
取样仪器名称型号:JSF-7100F电子显微镜
图片处理软件名称:无处理

作者信息:青岛观象台
成像设备:尼康D800,Startrails叠加,Lightroom后期处理
成像时间:2016年01月24日
在地球上看起来,太阳每天早上从东方升起,晚上又从西方落下,因为这种现象是地球自转造成的人的视觉效果,所以天文学上把太阳的这种运动叫做周日视运动。满天的繁星也像太阳一样,不是每天都固定在星空中某个地方不动,每天也在做周日视运动。当相机长时间曝光的时候,会记录下繁星走过的轨迹,形成恒星的周日视运动。
照片所用的方式为叠加法,即相机对准某片天空不断拍摄,将最终拍摄所得照片叠加到一起,以达到和长时间曝光相同的效果。照片中,远处的明长城,近处的古镇,以及头顶的星空融合在一处,体现了自然与人文的融合。

作者信息:研究生-何治宏-星空下的青海观测站-2015.9
图片描述:盆地里的观测站
在柴达木盆地东北边缘,青海观测站所在的地方是一大片平地,统治这里的是牧草和风:牧草长满整片旷野,到秋天呈现出整齐的黄色,在青海的高原上显得格外茂盛;极目四望,只有观测站种了树,它们随狂风而动,和周围东倒西歪的茅草一起,节奏十足。视野尽头的是雪山,雨后的积雪融化时,流水沿着坡里的沟壑往低处淌下,在山脚冲刷出一道道沟痕后,顺着地势汇成了河,过不了多久,大量的河水就渗进地下,滋润着那些草地,其余的流向更远的地方,去了更大的河。
盆地里重要的资源不仅是肥美的牧草和清冽的雪水,更可贵的是干净的星空。照片中的白色圆球是望远镜机房,它是观测站的核心,巨大的13.7米射电望远镜就在机房里对准银河,只要天晴无雨,就会有源源不断的数据被纳入处理器中;机房里,工作人员分为运行组和观测组,前者保障望远镜和仪器的正常运行,后者处理接收到的谱线数据。在机房外,织女星明亮无比,仙女星系清晰可见,一条巨大的银河横亘在盆地两边的山上,时不时有流星划来划去......